M104 I/O Bus Multiplexer

Order Number: M104

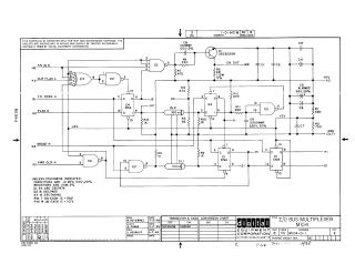
Summary The M104 module is a hardware component designed for PDP-15 peripheral controllers that utilize API or data channel facilities. Its primary function is to synchronize peripheral requests with the I/O processor's SYNC pulses and manage device priorities on the I/O bus using an enable-chain mechanism (ENABLE IN/ENABLE OUT).

Key features include:

  • Request Handling: It accepts a request signal (FLAG), synchronizes it to the system clock, and monitors it via internal flip-flops (REQ, ENA, ENB).
  • Priority Management: It allows devices to share API levels or data channels by daisy-chaining enable signals to establish priority.
  • Technical Specifications: The document provides detailed input pin load requirements, output drive capabilities, and power consumption (1W at 5V).
  • Operational Timing: A timing diagram is included to illustrate the sequence of signals (SYNC, REQ, GRANT, ENA, ENB) during standard operation.
M104
2000
2 pages
Quality

Original
61.9kB
M104
2000
2 pages
Quality

Original
67.4kB

Site structure and layout ©2025 Majenko Technologies