VT05 Display System Engineering Documentation

Order Number: A-ML-VT05-0

This document is a comprehensive collection of engineering drawings and packaging instructions for the Digital Equipment Corporation (DEC) VT05 Display System. It details various electronic circuits, timing diagrams, and physical assembly procedures for the terminal's components.

Key technical aspects covered include:

  • Cursor Synchronization: Circuits and timing for controlling X and Y cursor positions, synchronization with memory load operations, and handling cursor bursts.
  • Main Memory Timing: Detailed timing diagrams and circuitry for memory access, display refresh, horizontal and vertical synchronization, ROM enablement, and auto-scroll functions, operating with various clock frequencies (e.g., 20.9 MHz, 15.6 KHz).
  • Erase Functions: Circuits for erasing individual lines (End of Line - EOL) and the entire screen (End of Screen - EOS), complete with associated timing and pulse durations.
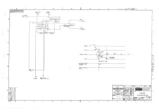
  • Bell Circuit: An electronic circuit responsible for generating audible bell tones (e.g., 780 Hz) and bell bursts, outputting to a speaker.
  • Test Pattern Generation: A circuit designed to produce various test patterns for display diagnostics, illustrating timing for displaying lines and pulse groups.
  • CAD Direct Cursor Address: Circuitry for direct positioning of the cursor using binary X and Y coordinates, including timing for loading and clearing cursor data.
  • Baud Rate Generation: A circuit that generates multiple clock frequencies (ranging from 1.76 KHz to 422.4 KHz) essential for serial communication.
  • Transmitter & Receiver Timing: Diagrams illustrating the timing relationships for serial data transmission and reception, including keyboard input, strobe signals, and cursor synchronization during data transfer.

Additionally, the document includes:

  • Keyboard and Cursor Board: Material lists and component layouts for the LK01-R Main Keyboard and the Cursor Board, along with notes on interconnections.
  • Packaging Instructions: A detailed, step-by-step guide with a comprehensive material list (including cartons, poly bags, and protective pads) for securely packaging the VT05 Display unit.

The collection serves as a technical manual providing the internal design and operational specifications for the VT05 Display System.

A-ML-VT05-0
August 1977
13 pages
Quality

Original
7.6MB

Site structure and layout ©2025 Majenko Technologies