W501

Order Number: XX-D3B73-A9

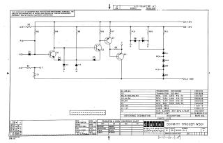
This document is an electronic schematic titled "Schmitt Trigger W501" (drawing number W501-0-1, Revision F) by Digital Equipment Corporation, copyrighted in 1964.

Key information includes:

  • Purpose: Furnished solely for test and maintenance purposes, with the circuits noted as proprietary.
  • Circuit Diagram: Displays the connections of various electronic components including transistors (Q1-Q4), resistors (R1-R11), diodes (D1-D11), and a capacitor (C1), along with input/output points (e.g., UO, PO, RO, SO, L, M, D, E, F, NO, KO) and power supply connections (+10V, -15V, GND).
  • Parts List: A detailed table specifying reference designations (e.g., Q1, R6, D8, C1), descriptions (e.g., Transistor DEC3009B, Resistor 1.5K 1/4W, Diode D662, Cap. 6.8 MFD), and corresponding part numbers.
  • Conversion Chart: A "Transistor & Diode Conversion Chart" mapping Digital Equipment Corporation (DEC) part numbers to their EIA equivalents (e.g., DEC999 to MM999, DEC3009B to 2N3009).
  • Revision History: Details of revisions and drafting information, including names (H.W. Porter, N. Perryman, P. Sullivan) and dates from September 1964.
XX-D3B73-A9
1964
1 pages
Quality

Original
70.6kB

Site structure and layout ©2025 Majenko Technologies