W500

Order Number: XX-9C5E1-B4

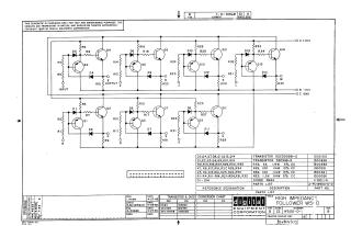
This document is an electrical schematic for a "High Impedance Follower W500-0-1" circuit.

Key details include:

  • Ownership & Purpose: Copyrighted in 1965 by Digital Equipment Corporation, it's proprietary and intended for test and maintenance.
  • Circuit Design: The schematic illustrates a complex electronic circuit featuring numerous transistors (Q1-Q14), diodes (D1-D14), and resistors (R1-R35), with designated input (D), output (E), and power connections (+10V, -15V, GND).
  • Component Specifications: A detailed parts list provides reference designations, descriptions, and part numbers for all components, including specific transistor models (DEC3009B-S, DEC999-S), diode types (D664), and various resistor values with wattage and tolerance.
  • Conversion Chart: A transistor and diode conversion chart offers equivalent EIA part numbers for some DEC components (e.g., D664 to IN3606, DEC999 to MM999, DEC3009B to 2N3009).
  • Dates & Revisions: The document was drawn and checked in April 1965 and is at revision B.
XX-9C5E1-B4
1965
1 pages
Quality

Original
83.8kB

Site structure and layout ©2025 Majenko Technologies