M663

Order Number: XX-A3F77-6D

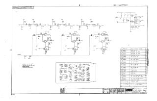
This document is a schematic diagram for a Digital Equipment Corporation (DEC) 50 Ohm "OR" Bus Driver, model M663, copyrighted in 1971.

The circuit is designed for test and maintenance purposes and is noted as proprietary. It primarily uses discrete components including transistors (DEC3009B, DEC2904, DEC4258 types), diodes (FD777, D662, D664, 1N753A), resistors, and capacitors.

Key features of the schematic include:

  • Multiple input channels (e.g., F2, N2, U2) each feeding into transistor-based driver stages.
  • Outputs labeled D1, K1, S1, S2, indicating the bus driving function.
  • A power supply conditioning section that generates various voltage rails (+5V, +3V, +1.5V, -5.5V, -15V).
  • A "Crowbar" protection circuit (A1).

General specifications for components are provided: resistors are 1/4W, 5%; capacitors are .01uF, 100V, 20%; diodes are D664; and transistors are DEC4258, unless otherwise indicated. A conversion chart is also included, cross-referencing DEC-specific part numbers to their equivalent EIA (JEDEC) standard numbers for transistors and diodes.

XX-A3F77-6D
1971
1 pages
Quality

Original
87.2kB

Site structure and layout ©2025 Majenko Technologies