M661

Order Number: XX-26A84-DD

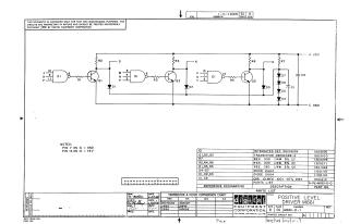
This document is a schematic diagram for a "Positive Level Driver M661" circuit.

Key information from the document includes:

  • Purpose: The schematic is for test and maintenance purposes only, and the circuits are proprietary to Digital Equipment Corporation, copyrighted 1968.
  • Identification: The circuit is titled "POSITIVE LEVEL DRIVER M661" and has the part number M661-0-1.
  • Components: It features an integrated circuit (labeled E1, specifically a DEC7410N, likely a logic gate), three transistors (Q1, Q2, Q3, specified as DEC3009B-S), various resistors (R1-R7), diodes (D1-D7), and capacitors (C1, C2).
  • Power Supply: The integrated circuit requires +5V on Pin 14 and GND on Pin 7.
  • Parts List: A detailed list provides reference designations, descriptions, and Digital Equipment Corporation part numbers for all components.
  • Conversion Chart: A "Transistor & Diode Conversion Chart" provides industry-standard equivalents for DEC's proprietary component numbers (e.g., DEC3009B = 2N3009, D662 = 1N645, D664 = 1N3606).
XX-26A84-DD
1968
1 pages
Quality

Original
75.4kB

Site structure and layout ©2025 Majenko Technologies