M3070

Order Number: XX-D8AB0-0B

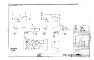
This document is a detailed electronic schematic for the Digital Equipment Corporation (DEC) "Integrating One Shot" circuit, model M3070-0-1. Dated 1971, it was created for test and maintenance purposes.

The circuit is designed to produce a monostable pulse with an adjustable duration, offering five distinct timing ranges from 200 nanoseconds to 20 milliseconds. Its design incorporates a mix of discrete components (resistors, capacitors, diodes, transistors like SDA-7, DEC3009B, and 2N4250) and integrated circuits (DEC9601-1, DEC1074H00). External potentiometers are included for fine-tuning the pulse width.

The document also provides a comprehensive bill of materials (parts list), general component specifications (e.g., capacitor tolerances, resistor wattage), IC pinout instructions (Pin 7 GND, Pin 14 +5V on all IC's), and a transistor and diode conversion chart. Overall, it is a technical blueprint detailing the construction and functionality of a vintage digital timing circuit.

XX-D8AB0-0B
1971
1 pages
Quality

Original
0.1MB

Site structure and layout ©2025 Majenko Technologies