M162

Order Number: XX-B5305-78

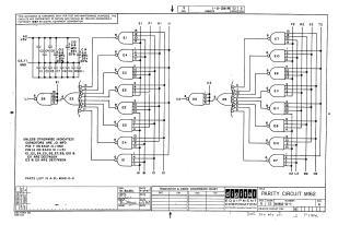
This document is a circuit schematic for a Parity Circuit MI62, designed and copyrighted by Digital Equipment Corporation in 1967.

Key information includes:

  • Purpose: The schematic is for test and maintenance purposes, featuring proprietary circuits.
  • Components: It primarily consists of integrated circuits (ICs) labeled E1 through E11. Most are DEC7420N, while E3 and E9 are DEC7430N. Various capacitors are also present, including .01 MFD for C1-C11 and +6.8 MFD, 35V, 20% for C12-C14.
  • Power & Ground: The circuit operates with a +5V supply (A2) and Ground (C2, T1). Standard IC power connections specify Pin 7 as Ground and Pin 14 as +5V.
  • Associated Documentation: A parts list, A-PL-M162-0-0, is referenced.
  • Revision/Production Details: The circuit is a printed circuit (Rev. B) and was drawn on 4-18-67 by M. Haller and checked on 5/5/67.
XX-B5305-78
1967
1 pages
Quality

Original
84.0kB

Site structure and layout ©2025 Majenko Technologies