M117

Order Number: XX-329E9-FF

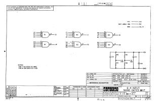
This document is a proprietary schematic diagram titled "6-4 INPUT NAND GATES M117", copyrighted by Digital Equipment Corporation in 1967.

The schematic details a circuit primarily composed of three Integrated Circuits (E1, E2, E3), identified as DEC7420N (part number 1905577). These ICs are configured as multiple 4-input NAND gates, with specified inputs and outputs.

The circuit operates with a +5V power supply and ground (GND), with -15V noted as not used. Specific power connections for the ICs are provided: Pin 7 for Ground and Pin 14 for +5V. Additional passive components, including resistors (750 Ohm and 330 Ohm) and capacitors (0.01µF), are part of the design, likely for power conditioning or biasing.

The document explicitly states that it is furnished only for test and maintenance purposes, emphasizing the proprietary nature of the circuits. A parts list (A-PL-M117-0-0) is included, detailing the integrated circuits, resistors, and capacitors used, along with their respective part numbers. The document has a revision history up to Revision E.

XX-329E9-FF
December 1974
1 pages
Quality

Original
75.6kB

Site structure and layout ©2025 Majenko Technologies