G805

Order Number: XX-D7671-E7

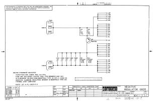
This document is a schematic diagram for a "Negative Regulator G805," a proprietary circuit copyrighted by Digital Equipment Corporation in 1966, intended exclusively for test and maintenance.

The circuit diagram illustrates connections for GND and -30V inputs, various output terminals (e.g., AP-AU, BM-BV, AE-AN), and key components. These include a 2N3790 transistor (Q1), five capacitors (C1-C5), and several resistors (R1-R4).

Detailed notes specify that the capacitors are 20MFD 50V (-10+75%), the connecting tabs are 250 series Faston Type 60465-2, and Q1 must be mounted on a Wakefield heat sink (NC-623-A) using an anodized aluminum insulating washer and Wakefield Type 120 thermal joint compound.

The document also provides revision history (Rev H), refers to a separate parts list (A-PL-6805-0-0), and includes a transistor conversion chart for the 2N3790.

XX-D7671-E7
1966
1 pages
Quality

Original
69.0kB

Site structure and layout ©2025 Majenko Technologies