G287

Order Number: XX-7FF30-C3

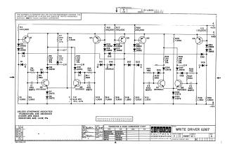
This document is a schematic diagram titled "WRITE DRIVER G287," produced by Digital Equipment Corporation (DEC) and copyrighted in 1967.

The circuit is presented for test and maintenance purposes and is explicitly noted as proprietary. It comprises numerous transistors (primarily DEC3500 and DEC6534B), various diodes (D662, D664, D672), resistors, and capacitors.

Key features and information include:

  • Operation with a bipolar power supply, indicated by +10V, -15V, and GND connections.
  • Multiple labeled input/output or test points such as N, M, D ENABLE, E, JO, OK, and F.
  • A "Transistor & Diode Conversion Chart" providing EIA equivalents for specified DEC component numbers (e.g., DEC3500 to 2N3500, D662 to IN645).
  • General component specifications: Resistors are typically 1/4W, 5%, unless otherwise noted.
XX-7FF30-C3
1987
1 pages
Quality

Original
92.6kB

Site structure and layout ©2025 Majenko Technologies