G005

Order Number: XX-077D7-BB

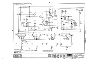
This document is a proprietary schematic for the Digital Equipment Corporation (DEC) 4 Input DC Sense Amplifier, Model G005, copyrighted 1965. It is provided solely for test and maintenance purposes.

The circuit is designed to receive four DC input signals (labeled BM, BP, BS, BU) through four SDA-II input stages. These signals are then processed through a series of amplification, clamping, and shaping stages involving various transistors and diodes, and can be influenced by a "STROBE IN (40 NS)" input. The amplifier ultimately generates a "PULSE OUT" signal.

Key components include a variety of DEC proprietary transistors (e.g., 2219, 3563, 2894 series, SDA-II) and diodes (D-662, D664), with a conversion chart providing EIA equivalents (e.g., 2N2219, 1N645, 1N3606). The circuit incorporates numerous resistors (including precision 1/8W, 1% "MF" types) and capacitors (MFD and MMFD). It operates on multiple DC voltage rails, including +10V (Motor Control and Fixed), -15V (Motor Control and Fixed), and internal +35V/-35V lines. The output stage features transformers T1 and T2.

XX-077D7-BB
2000
1 pages
Quality

Original
0.1MB

Site structure and layout ©2025 Majenko Technologies