HALF BINARY TO OCTAL DECODER B156

Order Number: B156-0-1

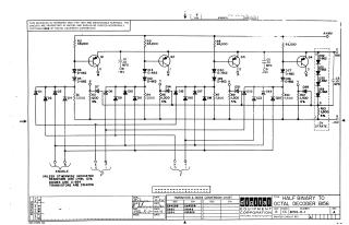
This document is a schematic diagram for a Half Binary to Octal Decoder, identified as B156. It outlines the circuit design, which includes four transistors (Q1-Q4), multiple diodes (D1-D32), resistors (R1-R13), and capacitors (C1-C3). The schematic shows various input and output points labeled with letters and numbers, along with power connections for A+10V, -15V, and -3V. An "ENABLE" input is also present. General specifications indicate that resistors are typically 1/4W, 10%, diodes are D-664, and transistors are 2N4258, unless specified otherwise. A "TRANSISTOR & DIODE CONVERSION CHART" provides equivalent EIA part numbers for the specified components. The document is proprietary to Digital Equipment Corporation, copyrighted 1966, and is intended for test and maintenance purposes.

B156-0-1
1966
1 pages
Quality

Original
90.4kB

Site structure and layout ©2025 Majenko Technologies