Memory Extension Control

Order Number: XX-XXXXX-XX

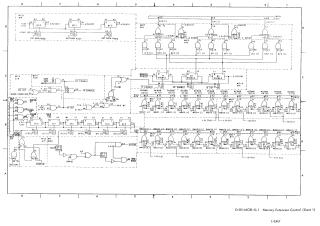
This document contains a comprehensive set of schematic diagrams and logic gate configurations for the Memory Extension Control system of a computer.

Key technical components and functions illustrated throughout the 43 pages include:

  • Memory Control and Expansion: Detailed logic for memory extension control, including inhibit drivers, X and Y axis selection, and memory control logic (MM8I-A-1, MM8I-A-2).
  • Memory Parity: Schematics for memory parity options, including parity error detection circuits (MP8I-0-1).
  • Display and Plotter Control: Logic for display control (VC8I-0-1) and plotter control (VP8I-0-1).
  • Real-Time Clock: Configuration and control logic for real-time clock options, including variable and crystal clock controls (KW8I-0-1 through 0-3).
  • System Logic: Flow diagrams illustrating various states (Fetch, Defer, Execute, Break), timing manual functions, register output/input control, shift and carry gate controls, and major register gating.
  • Hardware Specifications: Detailed circuit diagrams for components such as the 10-bit D-A converter (A607-0-1), major registers (M220-0-1), and teletype receiver/transmitter controls.

The document includes extensive logic gate layouts, wiring information, and technical notes regarding component replacement, signal states, and system-specific configurations for models such as the MC8I-A and MC8I-B.

XX-XXXXX-XX
2000
43 pages
Quality

Original
3.9MB

Site structure and layout ©2025 Majenko Technologies