Ax08 Laboratory Peripheral

Order Number: XX-XXXXX-XX

Summary

The AX08 is a hardware peripheral designed to integrate various laboratory components—including an Analog-to-Digital Converter (ADC), multiplexer, Schmitt triggers, clocks, and display controls—into a compact system for use with PDP-8 and PDP-12 computers. By consolidating these functions, the system offers cost-effective, efficient data acquisition and control for laboratory environments.

Key features and components described include:

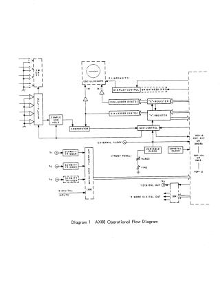
  • Analog-to-Digital Converter (ADC): A 9-bit successive approximation converter featuring preamplifiers, a multiplexer, and sample-and-hold circuitry. It includes protective features against signal overloads.
  • Schmitt Triggers: Threshold detectors used for processing pulse or slowly varying analog inputs.
  • Clocks: The system utilizes both a 10 kHz crystal-controlled clock and a variable-frequency RC clock (16 Hz to 200 kHz) to provide precise timing for system operations.
  • Enable Register: A critical control register where individual bits are used to enable or disable system functions, manage program interrupts, trigger A/D conversions, and control external relays.
  • External Register: A set of flip-flops used as a buffer to interface with external devices.
  • Expansion Options: Optional configurations (XR, XM, and XC) allow for the expansion of input channels, digital I/O, and brightness control capabilities.
XX-XXXXX-XX
2000
5 pages
Quality

Original
0.5MB

Site structure and layout ©2025 Majenko Technologies