One Step Power Control Panel 834b

Order Number: XX-XXXXX-XX

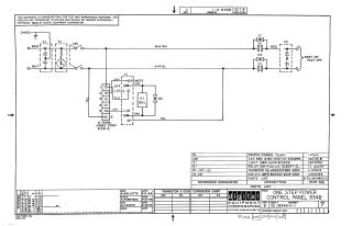
This document is a technical schematic for the Digital Equipment Corporation "One Step Power Control Panel 834B." It details the electrical circuitry for the control panel, featuring a toggle switch (S1) for local/remote operation, a circuit breaker (CB1), a relay (K1), two thyrectors (D1-D3), and two capacitors (C1, C2). The diagram also includes a six-terminal Jones strip interface and a comprehensive parts list specifying the components used in the assembly.

XX-XXXXX-XX
2000
1 pages
Quality

Original
82.1kB

Site structure and layout ©2025 Majenko Technologies