Power Supply 779A

Order Number: XX-XXXXX-XX

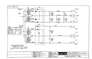
This document is an electrical schematic for the Power Supply 779A, produced by Digital Equipment Corporation in 1963. It outlines the circuitry for two transformer-based power regulation sections (utilizing DEC 1021 transformers) with associated capacitor banks and diode bridges. The schematic includes a table detailing jumper configurations for various input voltages, ranging from 112.5V to 235V, and provides technical specifications regarding component types (e.g., Heyman Mfg Co tabs and Cinch Jones terminal strips).

XX-XXXXX-XX
2000
1 pages
Quality

Original
77.4kB

Site structure and layout ©2025 Majenko Technologies