Dual 15 Volt Power Supply 778

Order Number: Z778

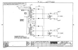
This document is a technical schematic for a Digital Equipment Corporation dual 15-volt power supply. It details the electrical circuit, which utilizes two transformers (DEC 1016) and two 160,000 MFD 20V capacitors to provide two separate 15V 1-8 Amp outputs. The diagram also specifies the use of Heyman Manufacturing tab terminals and Cinch Jones terminal strips. This schematic is intended for test and maintenance purposes only.

Z778
2000
1 pages
Quality

Original
72.0kB

Site structure and layout ©2025 Majenko Technologies