Relay W800

Order Number: W800

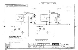
This document is a technical schematic for the Digital Equipment Corporation "Relay W800" circuit board (Revision D). It details a dual-channel relay driver circuit designed for use with 12V DC Wheelock relays (K1 and K2). The circuit includes two transistors (DEC6534D) acting as switches, associated resistors, diodes for suppression, and inductors/capacitors for filtering. The schematic specifies that it is intended for test and maintenance purposes only, noting that the proprietary designs are under copyright from 1965.

W800
2000
1 pages
Quality

Original
77.5kB
W800
2000
1 pages
Quality

Original
40.5kB

Site structure and layout ©2025 Majenko Technologies