Teletype Receiver W706

Order Number: W706

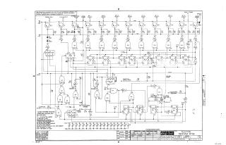
This document is a technical schematic diagram for a Teletype Receiver (W706), produced by the Digital Equipment Corporation in 1966. The schematic details the electronic circuit design, including transistor and diode configurations, signal inputs, logic gates (MC824P, MC899P, MC890P), and timing control components used for processing teletype signals. It provides comprehensive wiring and component specifications, such as resistor values, capacitor ratings, and jumper points, intended for maintenance and testing purposes.

W706
2000
1 pages
Quality

Original
0.1MB
W706
2000
3 pages
Quality

Original
0.2MB

Site structure and layout ©2025 Majenko Technologies