High Impedance Follower W500

Order Number: W500

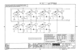
This document is a technical schematic for a "High Impedance Follower" circuit (W500) developed by the Digital Equipment Corporation in 1965. The schematic details the wiring and component arrangement for a series of transistor-based stages (using DEC3009B-S and DEC999-S transistors) and diodes (D664). The document also includes a parts list specifying the required resistors (values ranging from 100 to 10k ohms), diodes, and transistors, alongside a transistor and diode conversion chart for cross-referencing industry standard parts.

W500
2000
1 pages
Quality

Original
0.1MB
W500
2000
1 pages
Quality

Original
63.3kB

Site structure and layout ©2025 Majenko Technologies