Dual Flip-Flop R205

Order Number: R205

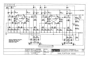
This document is a technical schematic for a Digital Equipment Corporation "Dual Flip-Flop" circuit, identified as module R205. The diagram details the arrangement of transistors (DEC 3639C), resistors, capacitors, and diodes (D-662/D-664) required to construct the flip-flop logic circuitry. It specifies that all resistors are 1/4W with a 5% tolerance and that all capacitors are measured in MMFD. The schematic includes power inputs for +10V, -15V, and ground, alongside various input/output pins labeled A through U.

R205
2000
1 pages
Quality

Original
0.1MB
R205
2000
1 pages
Quality

Original
65.6kB

Site structure and layout ©2025 Majenko Technologies