Nand Gate R121

Order Number: R121

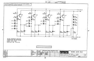
Summary: This document is a technical schematic for the "Nand Gate R121" circuit, produced by the Digital Equipment Corporation in 1965. The schematic illustrates a logic gate circuit comprised of four transistors (Q1 through Q4), multiple D-662 diodes, and various resistors. Key specifications noted on the document include the use of DEC 3639B transistors, D-664 diodes, and 1/4W 5% resistors. It also includes a conversion chart linking DEC-specific component parts to EIA industry-standard components (such as 2N3639 and 1N3606).

R121
2000
1 pages
Quality

Original
81.5kB
R121
2000
1 pages
Quality

Original
28.0kB

Site structure and layout ©2025 Majenko Technologies