Indicator Cable Conn. M949

Order Number: M949

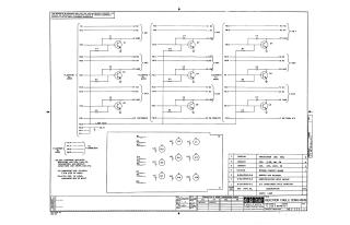
This document is an engineering schematic for a "Transistor & Diode Conversion" circuit board used in a Digital Equipment Corporation (DEC) indicator cable connection (M949). The schematic details the arrangement of nine transistors (Q1 through Q9), associated resistors (R1 through R9), and capacitors (C1 through C9). These components are configured to drive nine distinct indicator lamps (BI through VI). The document also includes a comprehensive parts list specifying the transistor type (DEC 6531), resistor specifications (3.3K, 1/4W, 5%), and capacitor values (470 pF, 100V, 5%), alongside information on the etched circuit board and assembly layout.

M949
2000
1 pages
Quality

Original
85.9kB

Site structure and layout ©2025 Majenko Technologies