Converter and Cable Connector M850

Order Number: M850

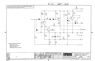
This document is a technical schematic diagram for the Digital Equipment Corporation M850 Converter and Cable Connector. The circuit is designed to facilitate signal conversion using a configuration of transistors (DEC6534B and DEC3009B), diodes (D664, D670, IN753, and IN3653), and various resistors and capacitors. The schematic includes external connection points for power inputs (+5V, -6V, -15V, and ground) as well as terminals for input/output signals labeled H, E, L, REC, and TRANSMIT. A conversion chart is included to cross-reference the DEC components used in the schematic with their standard EIA equivalents.

M850
2000
1 pages
Quality

Original
73.7kB

Site structure and layout ©2025 Majenko Technologies