Unibus Transceivers

Order Number: M785

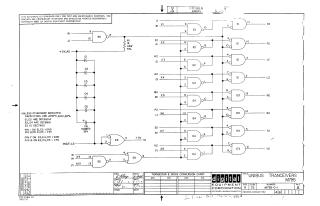
Summary: This document is a technical schematic for the M785 Unibus Transceiver circuit board produced by Digital Equipment Corporation in 1969. The diagram details the logic gate configuration, utilizing DEC7400, DEC881, and DEC380 A components to manage signal transmission. It includes specifications for power supply connections (+5V and Ground), capacitor values (.01μF and 6.8μF), and the wiring path from input signals (K1, J1, SI, HI, X1–X9) to the corresponding outputs (D2, F2, J2, L2, N2, R2, T2, V2).

M785
2000
1 pages
Quality

Original
80.6kB

Site structure and layout ©2025 Majenko Technologies