Reader Register M776

Order Number: M776

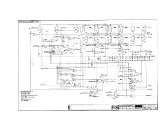
Summary: This document is a technical circuit schematic for the "Reader Register M776," designed by Digital Equipment Corporation. The diagram illustrates the logic gate configuration, signal routing, and component interconnections for the register. It utilizes a series of integrated circuits (DEC7474N, DEC7400N, DEC74H40, DEC7402N, and DEC74H00) to manage data flow, strobe signals, and timing controls for a reader interface. The schematic also specifies hardware requirements, including resistor and capacitor values, and notes that power is supplied at +3V and +5V.

M776
2000
1 pages
Quality

Original
74.0kB
M776
2000
1 pages
Quality

Original
22.9kB
M776
2000
36 pages
Quality

Original
3.3MB

Site structure and layout ©2025 Majenko Technologies