Clock and Skew Delay M767

Order Number: M767

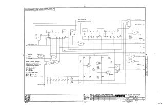
This document is a technical schematic for the M767 Clock and Skew Delay circuit, produced by Digital Equipment Corporation in 1970. The diagram details the logic design, including flip-flops, gates, and signal timing paths for operations such as "Write Clock," "Skew Delay," and "Clock L/H." It includes supporting specifications for components (resistors, capacitors, transistors, and crystals) and identifies the specific integrated circuits used (such as the DEC7473, DEC7402, and DEC7400). The document serves as a reference for maintenance and testing purposes.

M767
2000
1 pages
Quality

Original
78.0kB

Site structure and layout ©2025 Majenko Technologies