Line I/O Control M750

Order Number: M750

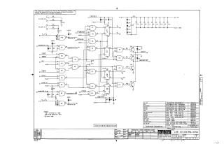
Summary This document is a technical schematic for the "Line I/O Control M750" circuit board, manufactured by Digital Equipment Corporation. The circuit utilizes various integrated circuits (such as 7400N, 7402N, and 7404N series) and discrete components (transistors, resistors, diodes, and capacitors) to manage signal processing for inputs (Filter A/B, Line A/B, Inverter A/B) and outputs (Data Out, Initialize, etc.). It includes a complete parts list identifying the specific components used, along with their associated part numbers, and specifies that all pins 7 are connected to ground and all pins 14 are connected to +5V.

M750
2000
1 pages
Quality

Original
98.8kB

Site structure and layout ©2025 Majenko Technologies