M717 Display Control VP15

Order Number: M717

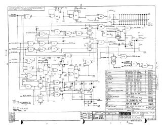
This document describes the M717 module, which provides the essential timing and control circuitry for the VP15 point-plotting display. The module is designed to support three specific scopes—the Tektronix RM503, DEC VR12, and Tektronix 611—using a patching arrangement to select the appropriate controls. Key features include deflection settling time delays, intensification pulses, light pen support, erase control, and a two-bit brightness register. Additionally, the document lists the module's power dissipation requirements.

M717
2000
1 pages
Quality

Original
33.9kB
M717
2000
1 pages
Quality

Original
0.1MB

Site structure and layout ©2025 Majenko Technologies