Scope Control M711

Order Number: M711

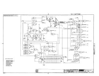
This document is a technical schematic diagram for the Digital Equipment Corporation M711 Scope Control module, dated 1969. The schematic details the logic circuitry for the scope control, including timing pulse generation (clock, intensity, and pulse width/repetition rate controls), shift register logic, and various gating circuits (using standard 7400-series TTL integrated circuits). It also provides technical notes regarding component specifications, such as transistor and resistor values, and defines the pin power and ground connections for the ICs utilized in the assembly.

M711
2000
1 pages
Quality

Original
67.5kB

Site structure and layout ©2025 Majenko Technologies