Clock Control M708

Order Number: M708

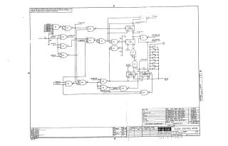
This document is a technical schematic for the M708 Clock Control circuit, produced by the Digital Equipment Corporation in 1968. It illustrates the logic gate interconnections—utilizing various integrated circuits (such as DEC7400N, DEC7474N, and DEC7420N)—required to manage clock signals, interrupt enables, flag buffers, and counter loading. The document also includes a comprehensive parts list detailing the specific resistors, capacitors, and integrated circuits used in the assembly.

M708
2000
1 pages
Quality

Original
81.9kB

Site structure and layout ©2025 Majenko Technologies