Io Bus Driver M664

Order Number: M664

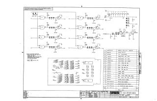
This document is a technical schematic and parts list for the M664 I/O Bus Driver, produced by Digital Equipment Corporation in 1971.

Summary:

  • Schematic Layout: The document displays an electronic circuit diagram featuring several transistor and diode arrays. It highlights the signal flow for multiple inputs (FI, HI, DI, EI) and their respective output paths through the transistor stages.
  • Components: The circuit utilizes specific DEC-labeled components, including transistors (DEC 4258, DEC 6531, DEC 6534D), diodes (D664, D662), and various resistors and capacitors.
  • Specifications: It notes that the schematic is intended for test and maintenance purposes only and provides power supply requirements (GND and +5V) for all integrated circuits (DEC 1074H00).
  • Parts List: The document includes a comprehensive table (Parts List) detailing the reference designators, component descriptions (such as "Handle, Flip Chip," "Etched Circuit Board," and various electrical components), and the quantity required for each.
  • Additional Data: The document also features a transistor and diode conversion chart to correlate DEC component part numbers with standard EIA (Electronic Industries Alliance) identifiers.
M664
2000
1 pages
Quality

Original
0.1MB

Site structure and layout ©2025 Majenko Technologies