Bus Drivers

Order Number: M629

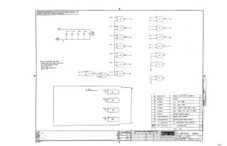
This document is a technical schematic for a "Bus Driver" circuit module (model M629) produced by Digital Equipment Corporation in 1970. The schematic details the wiring and logic configuration for a series of integrated circuits (DEC 8881 and DEC 7400 chips), including power supply filtering with capacitors and output signal mappings. Included with the schematic is a parts list identifying the required hardware, such as flip-chip handles, specific integrated circuits, capacitors, and the etched circuit board, along with references to supporting assembly, drilling, and coordinate documentation.

M629
2000
1 pages
Quality

Original
63.7kB

Site structure and layout ©2025 Majenko Technologies