Pa Module

Order Number: M603

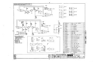
This document is a technical schematic and parts list for a "PA Module" (part number M603-0-1), designed by Digital Equipment Corporation in 1971. The schematic details the electrical configuration of the module, which includes various integrated circuits (DEC 74H series), transistors (DEC 4258), diodes (D664, D662), and a network of resistors and capacitors. The accompanying parts list provides the specifications and quantities for all components used in the assembly, including physical mounting hardware such as handles and eyelets.

M603
2000
1 pages
Quality

Original
0.1MB

Site structure and layout ©2025 Majenko Technologies