Schmitt Trigger M503

Order Number: M503

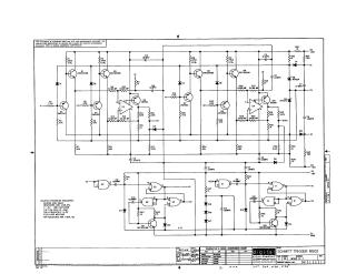
Summary This document is a technical schematic for the "Schmitt Trigger M503," manufactured by the Digital Equipment Corporation (dated 1969). The circuit diagram illustrates a complex electronic configuration utilizing transistors (including DEC3009B and 2N4250 types), integrated circuits (specifically DEC7400N and MC1709C), and various passive components (resistors, capacitors, and diodes). The schematic details voltage inputs, signal paths, and ground points, providing essential maintenance and testing information for the specified electronic module.

M503
2000
1 pages
Quality

Original
64.7kB

Site structure and layout ©2025 Majenko Technologies