Negative Input Converter M502

Order Number: M502

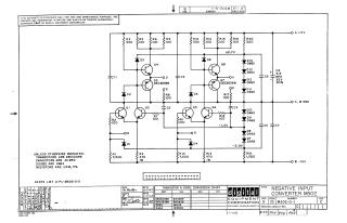
This document is a technical schematic for a Negative Input Converter (M502) circuit, produced by the Digital Equipment Corporation in 1967. The circuit is designed for test and maintenance purposes and utilizes a configuration of DEC3009B and DEC3639B transistors, along with various D662 and D664 diodes, capacitors, and resistors. The schematic details the wiring and component values required for the converter to function within specified voltage ranges, including +5V, +2.7V, -1.5V, -3.0V, and -15V.

M502
2000
1 pages
Quality

Original
88.4kB

Site structure and layout ©2025 Majenko Technologies