Latched Register Driver M362

Order Number: M362

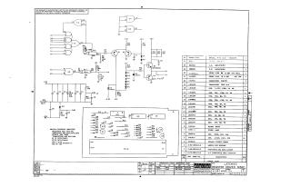
This document is a technical schematic and parts list for the "Latched Register Driver M362" module, manufactured by Digital Equipment Corporation in 1971. The schematic details the electronic circuit design, incorporating various integrated circuits (DEC 1074H53 and DEC 1074H00), transistors (DEC 4258), diodes, capacitors, and resistors. The accompanying parts list provides the specific components, quantities, and descriptions required for assembly, maintenance, and testing of the module.

M362
2000
1 pages
Quality

Original
0.1MB

Site structure and layout ©2025 Majenko Technologies