Six Flip-Flops M216

Order Number: M216

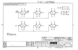
This document is a technical schematic for the "Six Flip-Flops M216" circuit board, produced by the Digital Equipment Corporation in 1967. The schematic illustrates the arrangement of six DEC7474N integrated circuits (labeled E1 through E3) and associated capacitors (C1 through C3) used to manage flip-flop operations.

Key details provided in the document include:

  • Power requirements: The integrated circuits operate with pin 7 connected to ground (GND) and pin 14 connected to +5V.
  • Component specifications: It details the specific parts used, including the integrated circuits (part number 1905547) and the disc capacitors (part number 1001610).
  • Proprietary Notice: The schematic is intended strictly for test and maintenance purposes and is protected by copyright.
M216
2000
1 pages
Quality

Original
73.5kB

Site structure and layout ©2025 Majenko Technologies