+1 Gate M166

Order Number: M166

Summary

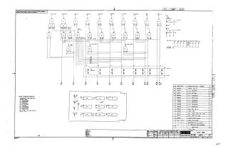
This document is a technical schematic for the "+1 Gate M166" module, designed by the Digital Equipment Corporation. The circuit utilizes various integrated circuits (DEC74H series, DEC3022, DEC2501) and logic gates to perform signal processing. The schematic details the wiring connections, voltage supply inputs (+5V and +3V), and includes a components parts list (bill of materials) that specifies capacitors, resistors, and diodes used in the assembly. A sub-diagram shows the layout of the integrated circuits (E1 through E9) and their respective pin connections.

M166
2000
1 pages
Quality

Original
94.7kB

Site structure and layout ©2025 Majenko Technologies