Nand Gate M143

Order Number: M143

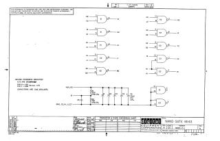
This document is a technical schematic for the Digital Equipment Corporation (DEC) M143 NAND Gate module. It details the circuit configuration, which utilizes DEC 1074H00 integrated circuits. The schematic includes pin assignments for the logic gates, power supply specifications (indicating +5V power and ground connections for all ICs), and capacitor specifications (.01uf, 100V, 20%). The document also features a transistor and diode conversion chart and includes standard proprietary notices for test and maintenance documentation dated 1970.

M143
2000
1 pages
Quality

Original
65.7kB

Site structure and layout ©2025 Majenko Technologies