And/Nor Gates Mi41

Order Number: M141

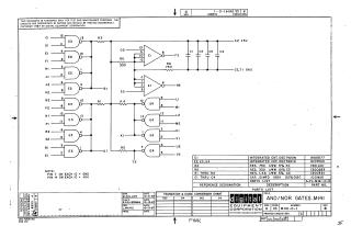
This document is a technical schematic for a Digital Equipment Corporation circuit board featuring AND/NOR gates. It details the electrical connections for four integrated circuits (E1 through E4), including two DEC7420N and two DEC7401N chips. The schematic includes a parts list specifying the required resistors (R1-R6) and capacitors (C1-C4), as well as a note indicating that pin 7 of each IC is connected to ground (GND) and pin 14 is connected to +5V. The drawing is dated October 1967.

M141
2000
1 pages
Quality

Original
86.1kB

Site structure and layout ©2025 Majenko Technologies