Device Selector M103

Order Number: M103

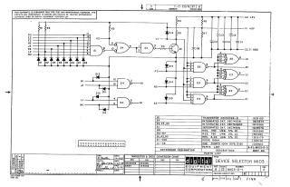
This document is a technical schematic for the Digital Equipment Corporation M103 Device Selector, dated 1968. It details the logic circuitry, including an array of diodes (D1-D16) for inputs, multiple integrated circuits (E1-E5) for logic processing, and a transistor-based output stage. The document includes a comprehensive parts list specifying resistors, capacitors, transistors, and integrated circuits, as well as a transistor and diode conversion chart for maintenance and reference purposes.

M103
2000
1 pages
Quality

Original
0.1MB

Site structure and layout ©2025 Majenko Technologies