Bus Data Interface MIOI

Order Number: M101

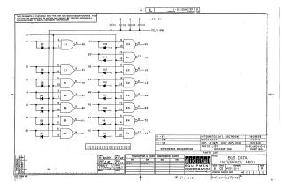
This document is a technical schematic for a Bus Data Interface module (MIOI) produced by the Digital Equipment Corporation in 1968. The schematic details the wiring and component layout of the circuit, which utilizes DEC7400N integrated circuits, D664 diodes, and 0.01μF capacitors. It is intended for test and maintenance purposes and includes a parts list and a transistor/diode conversion reference.

M101
2000
1 pages
Quality

Original
89.6kB

Site structure and layout ©2025 Majenko Technologies