Solenoid Driver M040

Order Number: M040

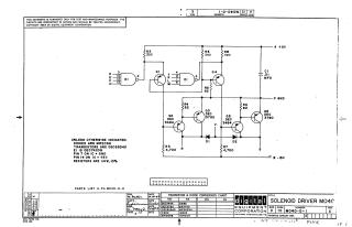
This document is a technical schematic from 1967 for a Solenoid Driver circuit (M040-0-1) designed by the Digital Equipment Corporation. The circuit utilizes an integrated circuit (DEC7420N), several transistors (DEC6534D and DEC3790), and diodes (MR2066) to manage signals between a +5V source, a -15V source, and a common ground. It includes a parts conversion chart and notes on standard resistor and pin configuration specifications intended for maintenance and testing purposes.

M040
2000
1 pages
Quality

Original
75.7kB

Site structure and layout ©2025 Majenko Technologies