Deflection Amplifier

Order Number: G912

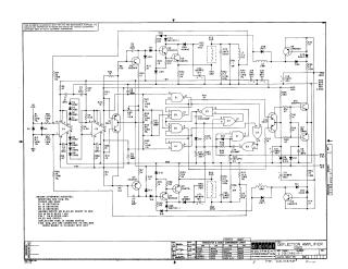
This document is a technical schematic for a Deflection Amplifier, designed and copyrighted by the Digital Equipment Corporation in 1969. The schematic details the circuitry components, including various transistors, diodes, resistors, capacitors, and integrated circuits (DEC7400N, DEC7410N, DEC7402N, and CA3001) used to drive a deflection yoke. It includes a comprehensive transistor and diode conversion chart and notes specific board wiring and maintenance guidelines, indicating that the schematic is intended strictly for test and maintenance purposes.

G912
2000
1 pages
Quality

Original
84.8kB

Site structure and layout ©2025 Majenko Technologies