Negative Regulator G805

Order Number: XX-XXXXX-XX

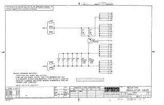
This document is a technical schematic for a Negative Regulator (model G805) manufactured by the Digital Equipment Corporation in 1966. It details the electrical circuit, which incorporates a 2N3790 transistor, multiple capacitors (20MFD, 50V), and resistors. The diagram includes notes on hardware specifications, such as the use of Faston tabs, heat sink mounting requirements (Wakefield type NC-623-A with thermal joint compound), and a transistor/diode conversion chart. The document is provided for test and maintenance purposes and is marked as proprietary.

XX-XXXXX-XX
2000
1 pages
Quality

Original
74.1kB

Site structure and layout ©2025 Majenko Technologies