Power Distribution Board Control

Order Number: XX-XXXXX-XX

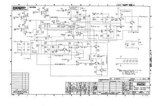
This document contains the technical engineering schematics and printed circuit board (PCB) layouts for the "BA8-C Power Distribution Board Control." It includes:

  • Schematic Diagram: A detailed electrical circuit diagram showing the component connectivity, including power inputs, fan control, "Power OK" signaling, battery monitoring, and various charge-cycle timing circuits. It specifies component types and operational notes.
  • Component Placement: An assembly-view diagram showing the physical location of components on the board, including resistors, capacitors, integrated circuits, and relay mounting instructions.
  • PCB Layouts: Top and bottom side copper trace layouts for the board, identifying the routing patterns for the circuit.
  • Specifications: The documentation includes revision history, assembly notes (such as hardware installation procedures for relay K1), and standard engineering references for the Digital Equipment Corporation power distribution hardware.
XX-XXXXX-XX
2000
4 pages
Quality

Original
0.3MB

Site structure and layout ©2025 Majenko Technologies