Sense Amp And Inhibit Driver G100

Order Number: XX-XXXXX-XX

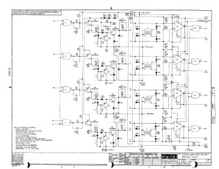
Summary: This document is a technical schematic for a "Sense Amp and Inhibit Driver" circuit board (G100) manufactured by Digital Equipment Corporation in 1969. The circuit is designed to drive signals using a series of input logic gates (DEC 74H00N), transistor drivers (DEC 6534C and DEC 2008), and pulse transformers (T1–T4). It features five primary output channels that provide amplified sense/inhibit signals for memory or storage applications, utilizing a variety of capacitors, resistors, and diodes to manage signal timing and voltage levels. The board requires specific input voltages including -6V, -24V, and +5V for operation.

XX-XXXXX-XX
2000
1 pages
Quality

Original
82.4kB

Site structure and layout ©2025 Majenko Technologies