W076

Order Number: XX-5FFF2-8A

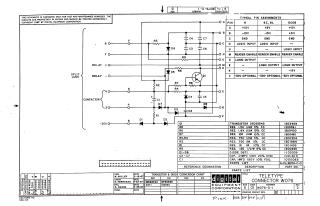
This document is a proprietary schematic diagram for a Digital Equipment Corporation (DEC) "TELETYPE CONNECTOR W076", identified as part number W076-0-1, Rev. D, copyrighted 1967. It is furnished for test and maintenance purposes.

The schematic illustrates an electronic circuit that connects to "Split Lugs" (Relay) and "Contactor" inputs, and features a transistor (Q1, DEC6534D), multiple diodes (D1-D8, D671), resistors (R1-R8), and capacitors (C1-C7).

Key information provided includes:

  • Typical Pin Assignments: A table detailing the functions and voltage levels for various pins (A, B, C, H, U, M, D, E, K, V), including power (+10V/+5V, -15V, GND), logic inputs/outputs, and a "Reader Enable" line, with variations for different configurations (8, 8I, 8L, DC08).
  • Parts List: A comprehensive list specifying the type, value, and DEC part number for each component (e.g., Transistor DEC6534D, Resistors from 120 ohms to 10K ohms, Diodes D671, Capacitors 0.1MFD disc and 1MFD foil).
  • Transistor & Diode Conversion Chart: Provides EIA equivalents for the listed DEC components (e.g., DEC6534D to MPS6534, D671 to IN3653).
  • Revision History: Records revisions from A through D.
  • Drafting and Engineering Details: Indicates the personnel involved (M. Haller, N. Perryman, R. Sogge) and their respective dates of work in May 1967.
XX-5FFF2-8A
1967
1 pages
Quality

Original
89.1kB

Site structure and layout ©2025 Majenko Technologies